Easy DIY Gated (Step-Muting) 8-Step Sequencer

This sequencer builds on the popular “Baby10” design, also incorporating an onboard gate. This gating mechanism allows the user to mute individual steps within a programmed sequence, allowing for more rhythmic & interesting musical patterns. It can be used with pretty much any synth or oscillator module that accepts CV pitch input. For a demo, check out the following video of this sequencer controlling another project I made, the Tri-Oscillator Noise Box.
Note: In this video, the “CV Pitch out” is running into the CV pitch input on the oscillator. The oscillator’s audio output is also running through the sequencer’s gate
If you’re interested in learning more or building one of these for yourself, read on for design details, schematics and more!
Background
In the world of synthesizers and musical electronics, a sequencer allows someone to program a set of instructions to send, in a specific order, at a specified speed/tempo. These instructions could be which note or sound to play or how to filter a sound at a given point in time. Most commonly, these instructions exist in the form of “control voltages” or “CV”. So for example, a sequencer might send 3 volts over to another synth module, which gets translated into an audible frequency (a.k.a “note”), like “C”. This allows someone to create a musical sequence of notes to be played in a chosen order.
At first, I assumed this would be a pretty simple endeavor as there were many existing schematics available for DIY sequencers. However to me, my favorite synth lines have always been rhythmic, incorporating silent breaks between notes (or “rests“), and I quickly found out that the designs I was finding were pretty limited in that department. I wanted to be able to easily switch a step ON or OFF and these schematics lacked this function.
I first thought that this wouldn’t be an issue. Why not just “not” send a CV instruction for a certain step in the sequence? Well unfortunately that is not the same thing as actually “muting” a step. Here’s why:
CV is only an instruction determining which note to play, it doesn’t pass any information on whether or not to actually play that note. By not sending a CV signal, that’s essentially the same thing as sending “zero volts”, which will simply play whichever note 0V translates to (probably just a very low note). To actually stop the note from playing, you need a gate.
At this point I wasn’t even aware of what a “gate” was, before doing a bit more research. A gate simply decides whether a signal should be passed along or stopped. A common example would be a “key press” on a basic keyboard. When a key is pressed, the gate allows the sound to pass through. When the key is released, the audio signal is stopped, or muted.
The Design: Overview
I determined that I wanted a relatively small, simple, analog sequencer with the ability to disable/mute notes in the sequence. I also wanted to be able to power this device with a common 9 volt battery or power supply, so that I could power it with my existing guitar pedal power supply (and so that it would work nicely with another project of mine, the Tri-Oscillator Noise Box). I also tried my best to maintain a “simple and functional” mindset while designing this. I wanted a functional result with the least number of parts possible.
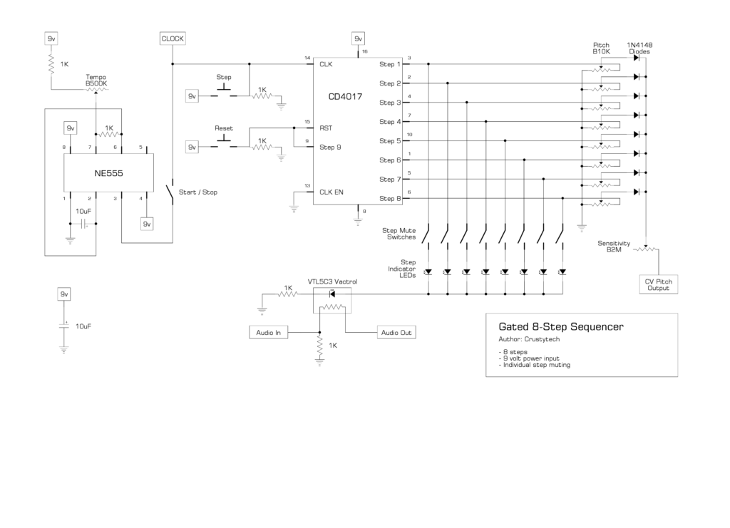
With these constraints in mind, I designed the following circuit:

The Design: Limitations
For the most part this design works fine; and if you want to keep it simple, you can follow this document exactly to create a working gated sequencer of your own. However, it’s a good idea to consider the following limitations.
NOTE: If I ever get around to building a “version 2”, I’ll probably make a bigger design that addresses these points
Step Button
For one, the “Step” button tends to act erratically, often triggering multiple steps forward on a single button-press. I find this annoying when trying to program each step individually. Upon researching, I found that this issue has to do with the physical mechanics of a pushbutton and specifically how one button press can trigger multiple pulses in a circuit. I found that some buttons are worse than others. This phenomenon is sometimes referred to as “bouncing” and (aptly enough) is solved by a “debouncer” circuit.
Gate Performance
Secondly, the gate is not quite as responsive as I’d like. In other words, it doesn’t always mute a step completely. Although it tends to work pretty well, it can be annoying to sometimes hear the “muted” steps faintly playing in the background. This has to do specifically with the slow response time of Light Dependent Resistors (LDRs). An LDR is the resistive half of a component referred to as a “vactrol”. I chose to use a vactrol as a gate specifically because of its design simplicity, but it does come with this caveat.
For my purposes a vactrol gate works fine but if you want a perfectly clean and responsive mute, you might consider other options. Some other gate designs I considered were 1) an integrated switching mechanism (using a 4066 CMOS chip), 2) a physical relay, or 3) a proper VCA (voltage controlled amplifier). A VCA is probably the most flexible and “legit” option but that also requires the most additional circuitry.
The Build
If you like the design and would like to build your own (or expand on it!), I’ve created a stripboard layout as well as some diagrams for the off-board wiring. See below:

Stripboard Layout
Download the stripboard layout PDF

Off-board wiring
Download the off-board wiring PDF
Here are some additional photos of the build process:

Stripboard after making cuts

Stripboard – with jumpers and pin headers

Stripboard – completed
NOTE: the ceramic capacitor in the picture above (lower-right) should be a 1k resistor. I put a pin header there to test different values, and in this photo I was testing a 100nF capacitor. That also works but I found that the capacitor filters some of the highs whereas the resistor still works just fine without doing any noticeable tone shaping.

Off-board wiring